2SK型水環真空泵產品概述
2SK型水環真空泵和2SK-P1系列兩級水環真空泵—大氣噴射泵機組被用于抽取空氣和其它無腐蝕性、不溶于水、不含有固體顆粒的氣體以便在密閉容器中獲得較高真空。它被廣泛應用于食品、編織化工、醫藥和冶金工業及電子領域的真空蒸發、真空濃縮、真空回潮、真空浸漬、真空干燥及真空冶煉等。具有真空度高、在高真空區抽速大及結構緊湊、工作可靠、維修方便等特點。
2SK系列適用于吸入壓力低于-0.08MPa的工況條件。2SK-P1系列適用于吸入壓力低于-0.096MPa的工況條件,在配用大氣泵時,限真空度可達-750mmHg。工作真空范圍為-0.03---0.08MPa。
2SK型水環真空泵工作原理
2SK系列水環式真空泵系雙級單作用的水環式真空泵.它利用泵殼和葉輪的不同心地安裝的結構,直聯真空泵在葉輪作旋轉時,構成與葉輪成偏心的水環,充滿在葉片間的水,隨著葉輪的旋轉,在葉片之間不斷地作周期性的往復運動.改變葉片中間的容積,在固定的吸氣口和排氣口的相應配合下,完成吸氣、壓縮和排氣作用,而雙級的作用就是no.1級排氣口排出的氣體被第二級吸氣口吸入,然後經過第二級的壓縮排出,第二級的作用是減少no.1級排氣壓強,以提高no.1級吸入限真空度.
本型號雙級水環式真空系做成同軸相串聯的兩級泵,兩級之間的通氣道由中間盆和連接管配成,因此結構比較緊湊,回轉部分由一根軸和兩級葉輪組成,固定部分由進出氣機座,兩個泵環和配氣盤,軸承支架組成。電動機和泵部分的傳動用聊軸器泵和電動機安裝在一個公共底座上。
2SK型水環真空泵主要特點
2SK系列水環式真空泵和2SK-P1系列兩級水環真空泵—大氣噴射泵機組被用于抽取空氣和其它無腐蝕性、不溶于水、不含有固體顆粒的氣體以便在密閉容器中獲得較高真空。它被廣泛應用于食品、編織化工、醫藥和冶金工業及電子領域的真空蒸發、真空濃縮、真空回潮、真空浸漬、真空干燥及真空冶煉等。具有真空度高、在高真空區抽速大及結構緊湊、工作可靠、維修方便等特點。
2SK型水環真空泵適用于吸入壓力低于-0.08MPa的工況條件。2SK-P1系列兩級水環真空泵適用于吸入壓力低于-0.096MPa的工況條件,在配用大氣泵時,限真空度可達-750mmHg。工作真空范圍為-0.03---0.08MPa。
2SK兩級水環式真空泵,具有真空度高、在高真空區抽速大等特點; 結構緊湊、維修方便; 應用范圍廣泛,可抽除含水蒸汽、易燃、易爆、含少量灰塵的、含少量液體的各種氣體; 主要用水作為工作介質,維護費用低; 可以在較為惡劣的環境下工作。
2SK兩級水環真空泵,具有真空度高、在高真空區抽速大等特點; 結構緊湊、維修方便; 應用范圍廣泛,可抽除含水蒸汽、易燃、易爆、含少量灰塵的、含少量液體的各種氣體; 主要用水作為工作介質,維護費用低; 可以在較為惡劣的環境下工作。
2SK型水環真空泵型號意義

2SK型水環真空泵性能參數

2SK型水環真空泵廣泛應用于食品、紡織、化工、醫藥、冶金工業及電子領域的真空蒸發、真空濃縮、真空回潮、真空浸漬、真空干燥及真空冶煉等。具有真空度高、在高真空區抽速大及結構緊湊、工作可靠、維修方便等特點。
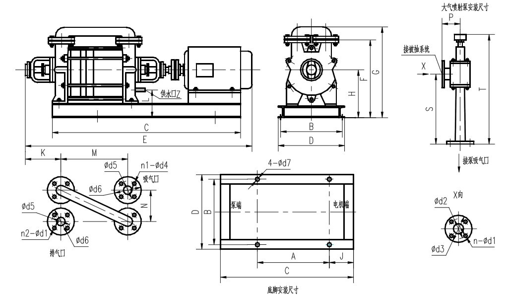
2SK型水環真空泵安裝尺寸圖









