CW型旋渦磁力驅動泵產品概述
CW型磁力驅動泵(簡稱磁力泵)是將永磁聯軸器的工作原理應用于離心泵的新產品,設計合理、工藝先進、具有全密封、無泄漏、低流量、高揚程、耐腐蝕的特點,其性能達到國外同類產品的先進水平。
磁力泵以靜密封取代動密封,使泵的過流部件處于完全密封狀態,徹底解決了其它泵機械密封無法避免的跑、冒、滴之弊病。磁力泵選用耐腐蝕、剛玉陶瓷,不銹鋼等作為制造材料,因此它具有良好的抗腐蝕性能,并可以使被輸送介質免受污染。
CW型旋渦磁力驅動泵主要材料及用途
磁力驅動泵結構緊湊、外形美觀、體積小、噪音低、運行可靠、使用維修方便。可廣泛應用于化工、制藥、石油、可靠、使用維修方便。可廣泛應用于化工、制藥、石油、抽送酸、堿液、油類,稀有貴重液、毒液、揮發性液體,以及循環水設備配套、過濾機配套。特別是易漏、易燃、易爆。
CW型旋渦磁力驅動泵特點
該泵是一種高揚程、小流量、比轉速低的葉片泵,比容積式泵和多級離心泵體積小、重量輕、結構簡單等優點,并可以輸送氣體或蒸氣含量較高的液體。
CW型旋渦磁力驅動泵性能
材質:不銹鋼
流量:0.36~14.4m3/h
揚程:30~210m
功率:0.75~30kW
溫度限:0~100℃轉速:2900r/min
CW型旋渦磁力驅動泵型號定義

CW型旋渦磁力驅動泵型號參數
型號 | 流量 | 揚程 | 轉速 | 電機功率 | 允許吸上高度 | 重量 |
CW20-20 | 0.72 | 20 | 2900 | 0.75 | 6 | 26 |
CW20-40 | 0.72 | 40 | 2900 | 0.75 | 6 | 32 |
CW20-65 | 0.72 | 65 | 2900 | 1.5 | 6 | 36 |
CW25-25 | 1.44 | 25 | 2900 | 0.75 | 5 | 28 |
CW25-40 | 1.44 | 40 | 2900 | 1.5 | 5 | 40 |
CW25-75 | 1.44 | 75 | 2900 | 3 | 5 | 55 |
CW32-30 | 2.88 | 30 | 2900 | 1.5 | 5 | 38 |
CW32-50 | 2.88 | 50 | 2900 | 2.2 | 5 | 52 |
CW32-75 | 2.88 | 75 | 2900 | 4 | 5 | 76 |
CW32-120 | 2.88 | 120 | 2900 | 5.5 | 4.5 | 95 |
CW40-40 | 5.4 | 40 | 2900 | 4 | 4 | 70 |
CW40-90 | 5.4 | 90 | 2900 | 7.5 | 3.5 | 105 |
CW50-45 | 9 | 45 | 2900 | 5.5 | 4 | 92 |
CW65-50 | 14.4 | 50 | 2900 | 11 | 3.5 | 158 |
CW型磁力驅動泵結構緊湊、外形美觀、體積小、噪音低、運行可靠、使用維修方便。可廣泛應用于化工、制藥、石油、可靠、使用維修方便。可廣泛應用于化工、制藥、石油、抽送酸、堿液、油類,稀有貴重液、毒液、揮發性液體,以及循環水設備配套、過濾機配套。特別是易漏、易燃、易爆。
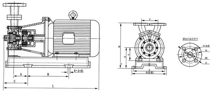
CW型旋渦磁力驅動泵安裝尺寸圖









